
PFHE_.png)
PFHE_02.png)
PFHE_03.png)
PFHE_04.png)
PFHE_.png)
PFHE_02.png)
PFHE_03.png)
PFHE_04.png)
The planetary gearbox with flange output shaft for high-load applications
The PFHE represents an economically attractive alternative for high-load applications in which high radial loads occur. The combination of special pre-stressed inclined roller bearings and a flanged output shaft in accordance with EN ISO 9409-1 gives the PFHE a very high load capacity. Thanks to the radial shaft seal that is used, this gearbox achieves protection class IP65 at the output side and can therefore also withstand adverse usage conditions.
PFHE planetary gearheads are an attractive product for high radial load applications. This special, pre-tensioned angular contact roller bearing, combined with a flanged output shaft according to EN ISO 9409-1, enables the PFHE to have a high load carrying capacity. Thanks to the radial shaft seal, the output end of this gear unit is IP65 protected, making it suitable for harsh environments.
Product description
The PFHE features a round oversized output flange, radial shaft seal, and easy installation. The planetary carrier adopts spur gears with preloaded angular contact roller bearings, the flanged output shaft is ISO 9409 standard, and can be customized with pinion gearbox as an option. This gearbox is a model that has been further optimized and produced on the basis of other economical gearboxs. It is suitable for flange gearboxs with high radial load. With angular contact roller bearings and high protection level, it can be used in harsh environments. working environment.
The conventional service life of the PFHE planetary gearbox is 30,000 hours, and the working temperature is between -25-90 °C; there are three lubrication methods: standard, food-grade, and low temperature; the torsional stiffness of the gearbox is in the range of 5.4-95Nm; the weight is 1.1-7.9kg ; The maximum radial force is 5150N, and the maximum axial force is 6450N. This gearbox can still operate safely and stably under high load conditions, and is suitable for applications in automation, printing, wood processing and other industries, and its compact structure can be installed in a narrow environment, saving space.
Product advantages
Angular Contact Roller Bearings
High load
radial shaft seal
optional
lubricating
Nationalized inflation system
Various types of drive flanges
Flexible connection of motors
installed pinion
Use
Packaging, machine tools, agricultural products industry
Features
High radial loads due to innovative bearing design
Protection class IP65
Fast and safe installation
Can be installed anywhere
Lifetime lubrication maintenance free
PFHE planetary gearbox structure size drawing
PFHE064 planetary gearbox structure size drawing
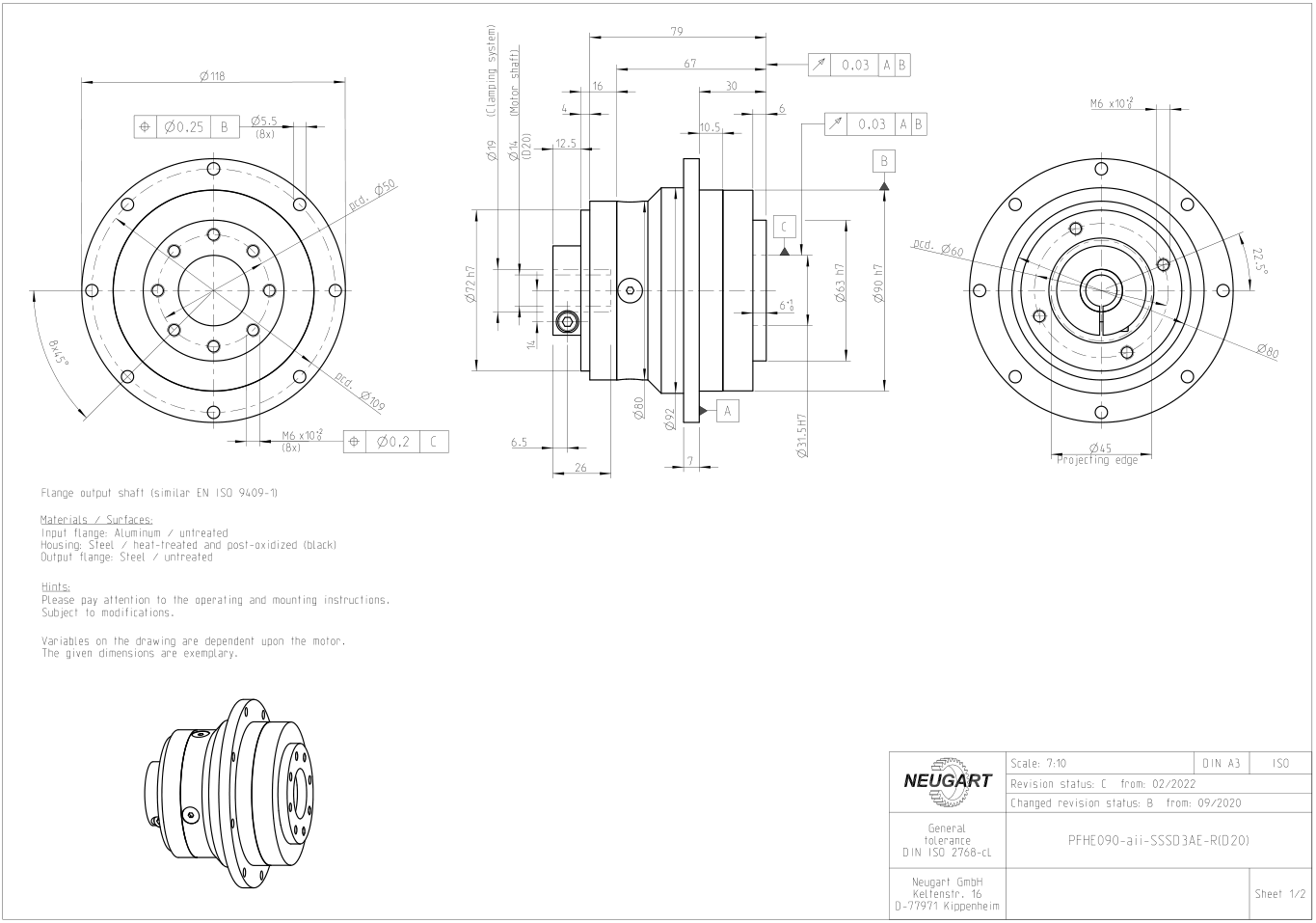
PFHE090 planetary gearbox structure size drawing
PFHE110 planetary gearbox structure size drawing
| Gearbox characteristics | PFHE064 | PFHE090 | PFHE110 | P | |
| Reduer | 3, 4, 5, 7, 8, 10 | 1 | |||
| Reduer | 9, 12, 15, 16, 20, 25, 32, 40,64,100 | 2 | |||
| Service life | h | 30.000 | |||
| Efficiency at full load | % | 97 | |||
| Min operating temperature/max operating temperature | ℃ | -25/90 | |||
| Protection class |
IP65 |
||||
| Standard lubrication | Grease (lifetime lubrication) | ||||
| Food grade lubrication | Grease (lifetime lubrication) | ||||
| Low temperature lubrication | Grease (lifetime lubrication) | ||||
| Installation position | Any | ||||
| Standard backlash | arcmin | <10-<12 | <7-<9 | <7-<9 | |
| Torsional stiffness | Nm/arcmin | 5.0-11.5 | 15.7-38.5 | 30.0-95.0 | |
| Gearbox weight | kg | 1.1-1.4 | 3.1-3.8 | 5.9-7.9 | |
| Standard surface | Housing: Steel - heat-treated and post-oxidized(black) | ||||
| Running noise | dB/(A) | 60 | 62 | 65 | |
| Max bending moment based on the gearbox input flange | Nm | 8 | 16 | 40 | |
Nominal Output torque
| PFHE064 | PFHE090 | PFHE110 | I | P |
| 28 | 85 | 115 | 3 |
1 |
| 38 | 115 | 155 | 4 | |
| 40 | 110 | 195 | 5 | |
| 25 | 65 | 135 | 7 | |
| 18 | 50 | 120 | 8 | |
| 15 | 38 | 95 | 10 | |
| 44 | 130 | 210 | 9 |
2 |
| 44 | 120 | 260 | 12 | |
|
44 |
110 | 230 | 15 | |
| 44 | 120 | 260 | 16 | |
| 44 | 120 | 260 | 20 | |
| 40 | 110 | 230 | 25 | |
| 44 | 120 | 260 | 32 | |
| 40 | 110 | 230 | 40 | |
| 18 | 50 | 120 | 64 | |
| 15 | 38 | 95 |
100 |
Output shaft loads
| PFHE064 | PFHE090 | PFHE110 | ||
| Radial force for 20000 h | N | 2300 | 4100 | 5150 |
| Axial force for 20000 h | N | 2850 | 5450 | 6450 |
| Radial force for 30000 h | N |
2000 |
3650 | 4550 |
| Axial force for 30000 h | N | 2500 | 4800 | 5600 |
| Tilting moment for 20000 h | Nm | 110 | 278 | 407 |
| Tilting moment for 30000 h | Nm | 96 | 248 | 360 |
Geometry
| PLHE060 | PLHE080 | PLHE120 | P | ||
| Pitch circle diameter output shaft | mm | 31.5 | 50 | 63 | |
| Centering diameter output flange | mm | 64 | 90 | 110 | |
| Flange diameter output | mm | 86 | 118 | 145 | |
| Min. total lenght | mm | 72 | 100.5 | 117 | 1 |
| mm | 84.5 | 118 | 144 | 2 | |
| Output flange length | mm | 19.5 | 30 | 29 |
 PLE_01.jpg)
 PLQE_01.jpg)
 PLPE_01.jpg)
 PSFN_01.jpg)
 PSFN_01.jpg)
